WF28K10Z1 Розетка панельная Weipu купить с доставкой по всей России по доступным ценам | WEIPU Connector Россия

WF28K10Z1 Розетка панельная Weipu

Войдите
чтобы увидеть цены
от 1 шт до 19 шт                
от 20 шт до 59 шт                
от 60 шт до 119 шт                
от 120 шт до 499 шт                
от 500 шт и более                
Срочный заказ
от 3х недель
Обычный заказ
30 дней
Рассчитать сборку с WEIPU

По вашей спецификации с технологиями WEIPU. Ответ — от 1 дня. Подробнее об услуге

Только для юридических лиц
Как физическое лицо вы можете обратиться к нашим партнерам.
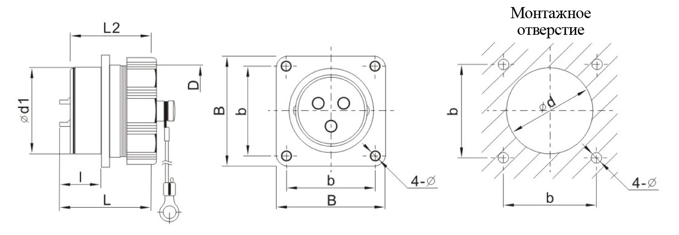
резьба пайка металл IP67 мама
Партномер WF28K10Z1
Тип товара Розетка панельная
Тип сочленения резьба
Условный размер корпуса 28
Количество контактов 10
Монтаж пайка
Материал корпуса металл
Кабель, мм --
Степень защиты IP67
Ток, А 25
Напряжение, В 500
Контакты мама
Вид корпуса с квадратным фланцем
Диаметр конт., мм 2,5
Крышка пластик, на тросике

Соединяется с:

Все ответные части
  • Фото WF28J10TI1 Вилка кабельная Weipu

    WF28J10TI1

    10 pin, резьба, IP65, кабельный с механическим зажимом
  • Фото WF28J10TE1 Вилка кабельная Weipu

    WF28J10TE1

    10 pin, резьба, IP67, кабельный с металлическим зажимом
  • Фото WF28J10TA1 Вилка кабельная Weipu

    WF28J10TA1

    10 pin, резьба, IP65, кабельный с пластиковым зажимом
  • Фото WF28J10TV1 Вилка кабельная угловая Weipu

    WF28J10TV1

    10 pin, резьба, IP65, кабельный угловой с механическим зажимом
  • Фото WF28J10TU1 Вилка кабельная угловая Weipu

    WF28J10TU1

    10 pin, резьба, IP65, кабельный угловой с металлическим зажимом
Размеры
Контакты
Описание

WF28K10Z1 розетка панельная, металл, резьба, монтаж: пайка, контактов: 10 x 2,5 мм, ток: 25А, напр.: 500V, IP67, крышка: пластик, на тросике

Нужна помощь с вашим проектом?

Индивидуальный подход к каждому клиенту. Особые условия поставок под конкретные цели и задачи.

+7 (812) 467-96-67
Оставить заявку
WF28K10Z1
Кабель, мм: --