SP1112/P3C Вилка на панель, крепление гайкой Weipu купить с доставкой по всей России по доступным ценам | WEIPU Connector Россия

SP1112/P3C Вилка на панель, крепление гайкой Weipu

В наличии
Войдите
чтобы увидеть цены
от 1 шт до 19 шт                
от 20 шт до 59 шт                
от 60 шт до 119 шт                
от 120 шт до 499 шт                
от 500 шт и более                
Наличие
В наличии
Рассчитать сборку с WEIPU

По вашей спецификации с технологиями WEIPU. Ответ — от 1 дня. Подробнее об услуге

Только для юридических лиц
Как физическое лицо вы можете обратиться к нашим партнерам.
резьба пайка пластик IP68 папа
Артикул 10203000737
Партномер SP1112/P3C
Тип товара Вилка на панель, крепление гайкой
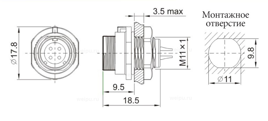
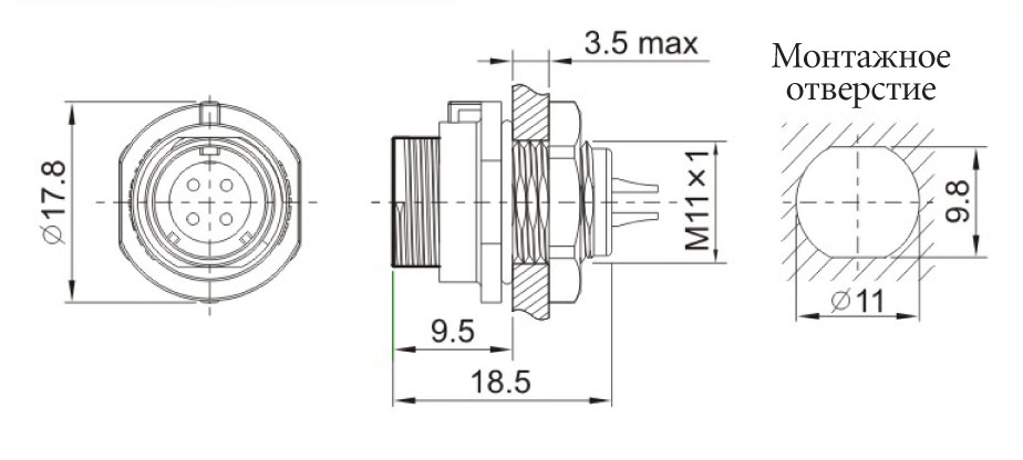
Тип сочленения резьба
Условный размер корпуса 11
Количество контактов 3
Монтаж пайка
Материал корпуса пластик
Кабель, мм --
Степень защиты IP68
Ток, А 5
Напряжение, В 180
Контакты папа
Вид корпуса на гайке
Диаметр конт., мм 1
Крышка пластик

Соединяется с:

Все ответные части
  • Фото SP1110/S3II Розетка кабельная Weipu

    SP1110/S3II

    3 pin, резьба, IP68, кабельный
Размеры
Контакты
Описание
вилка на панель, крепление гайкой, пластик, резьба, монтаж: пайка, контактов: 3 x 1 мм, ток: 5А, напр.: 180V, IP68, крышка: пластик

Нужна помощь с вашим проектом?

Индивидуальный подход к каждому клиенту. Особые условия поставок под конкретные цели и задачи.

+7 (812) 467-96-67
Оставить заявку
SP1112/P3C
Кабель, мм: --