SP1112/P4C Вилка на панель, крепление гайкой Weipu купить с доставкой по всей России по доступным ценам | WEIPU Connector Россия

SP1112/P4C Вилка на панель, крепление гайкой Weipu

В наличии
Войдите
чтобы увидеть цены
от 1 шт до 19 шт                
от 20 шт до 59 шт                
от 60 шт до 119 шт                
от 120 шт до 499 шт                
от 500 шт и более                
Наличие
В наличии
Рассчитать сборку с WEIPU

По вашей спецификации с технологиями WEIPU. Ответ — от 1 дня. Подробнее об услуге

Только для юридических лиц
Как физическое лицо вы можете обратиться к нашим партнерам.
резьба пайка пластик IP68 папа
Артикул 10203000743
Партномер SP1112/P4C
Тип товара Вилка на панель, крепление гайкой
Тип сочленения резьба
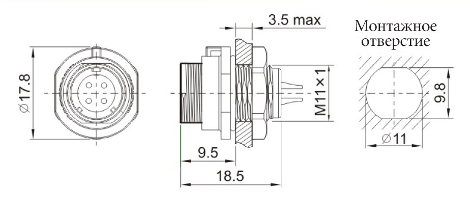
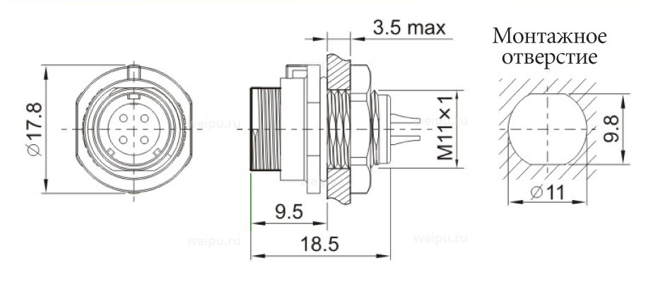
Условный размер корпуса 11
Количество контактов 4
Монтаж пайка
Материал корпуса пластик
Кабель, мм --
Степень защиты IP68
Ток, А 3
Напряжение, В 125
Контакты папа
Вид корпуса на гайке
Диаметр конт., мм 0,7
Крышка пластик

Соединяется с:

Все ответные части
  • Фото SP1110/S4II Розетка кабельная Weipu

    SP1110/S4II

    4 pin, резьба, IP68, кабельный
Размеры
Контакты
Описание
вилка на панель, крепление гайкой, пластик, резьба, монтаж: пайка, контактов: 4 x 0,7 мм, ток: 3А, напр.: 125V, IP68, крышка: пластик

Нужна помощь с вашим проектом?

Индивидуальный подход к каждому клиенту. Особые условия поставок под конкретные цели и задачи.

+7 (812) 467-96-67
Оставить заявку
SP1112/P4C
Кабель, мм: --