ST1214/P7 Вилка на панель с кв. фланцем Weipu купить с доставкой по всей России по доступным ценам | WEIPU Connector Россия

ST1214/P7 Вилка на панель с кв. фланцем Weipu

Войдите
чтобы увидеть цены
от 1 шт до 19 шт                
от 20 шт до 59 шт                
от 60 шт до 119 шт                
от 120 шт до 499 шт                
от 500 шт и более                
Срочный заказ
от 3х недель
Обычный заказ
30 дней
Рассчитать сборку с WEIPU

По вашей спецификации с технологиями WEIPU. Ответ — от 1 дня. Подробнее об услуге

Только для юридических лиц
Как физическое лицо вы можете обратиться к нашим партнерам.
резьба пайка металл IP67 папа
Партномер ST1214/P7
Тип товара Вилка на панель с кв. фланцем
Тип сочленения резьба
Условный размер корпуса 12
Количество контактов 7
Монтаж пайка
Материал корпуса металл
Кабель, мм --
Степень защиты IP67
Ток, А 5
Напряжение, В 125
Контакты папа
Вид корпуса с квадратным фланцем
Диаметр конт., мм 1
Крышка резиновая заглушка

Соединяется с:

Все ответные части
  • Фото ST1210/S7 Розетка кабельная Weipu

    ST1210/S7

    7 pin, резьба, IP67, кабельный
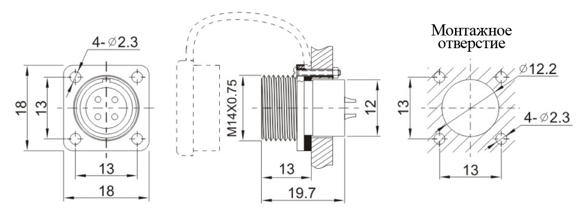
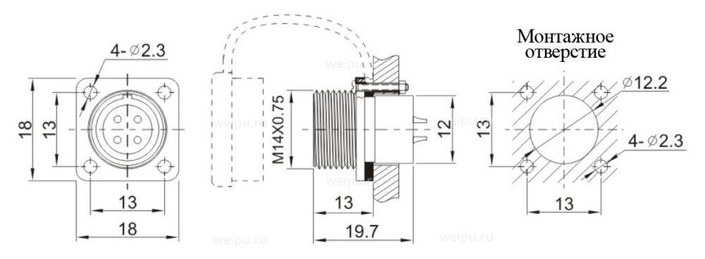
Размеры
Контакты
Описание

ST1214/P7 вилка на панель с кв. фланцем, металл, резьба, монтаж: пайка, контактов: 7 x 1 мм, ток: 5А, напр.: 125V, IP67, крышка: резиновая заглушка

Нужна помощь с вашим проектом?

Индивидуальный подход к каждому клиенту. Особые условия поставок под конкретные цели и задачи.

+7 (812) 467-96-67
Оставить заявку
ST1214/P7
Кабель, мм: --