WF24J4Z1 Вилка панельная Weipu купить с доставкой по всей России по доступным ценам | WEIPU Connector Россия

WF24J4Z1 Вилка панельная Weipu

Войдите
чтобы увидеть цены
от 1 шт до 19 шт                
от 20 шт до 59 шт                
от 60 шт до 119 шт                
от 120 шт до 499 шт                
от 500 шт и более                
Срочный заказ
от 3х недель
Обычный заказ
30 дней
Рассчитать сборку с WEIPU

По вашей спецификации с технологиями WEIPU. Ответ — от 1 дня. Подробнее об услуге

Только для юридических лиц
Как физическое лицо вы можете обратиться к нашим партнерам.
резьба пайка металл IP67 папа
Артикул 10209000505
Партномер WF24J4Z1
Тип товара Вилка панельная
Тип сочленения резьба
Условный размер корпуса 24
Количество контактов 4
Монтаж пайка
Материал корпуса металл
Кабель, мм --
Степень защиты IP67
Ток, А 25
Напряжение, В 500
Контакты папа
Вид корпуса с квадратным фланцем
Диаметр конт., мм 2,5
Крышка пластик, на тросике

Соединяется с:

Все ответные части
  • Фото WF24K4TI1 Розетка кабельная Weipu

    WF24K4TI1

    4 pin, резьба, IP65, кабельный с механическим зажимом
  • Фото WF24K4TE1 Розетка кабельная Weipu

    WF24K4TE1

    4 pin, резьба, IP67, кабельный с металлическим зажимом
  • Фото WF24K4TA1 Розетка кабельная Weipu

    WF24K4TA1

    4 pin, резьба, IP65, кабельный с пластиковым зажимом
  • Фото WF24K4TV1 Розетка кабельная угловая Weipu

    WF24K4TV1

    4 pin, резьба, IP65, кабельный угловой с механическим зажимом
  • Фото WF24K4TU1 Розетка кабельная угловая Weipu

    WF24K4TU1

    4 pin, резьба, IP65, кабельный угловой с металлическим зажимом
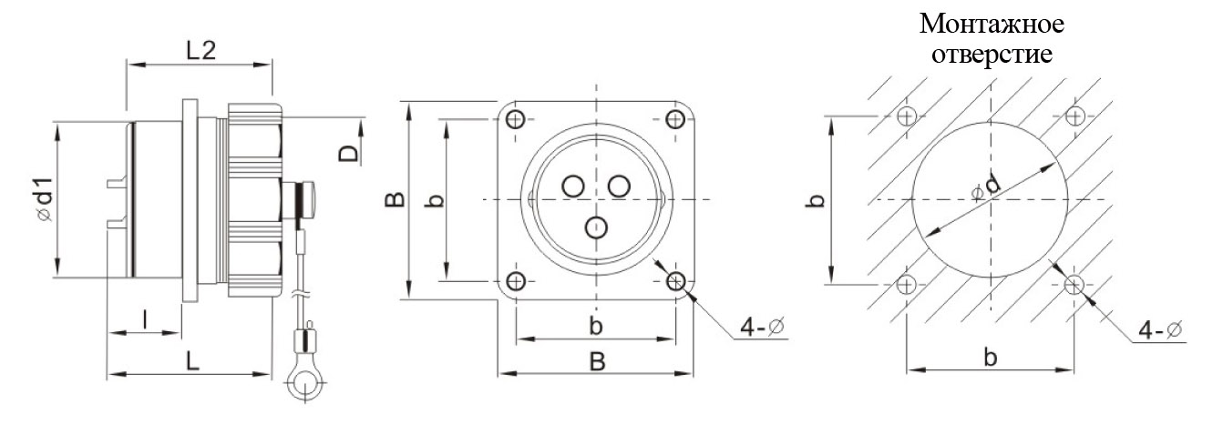
Размеры
Контакты
Описание

WF24J4Z1 вилка панельная, металл, резьба, монтаж: пайка, контактов: 4 x 2,5 мм, ток: 25А, напр.: 500V, IP67, крышка: пластик, на тросике

Нужна помощь с вашим проектом?

Индивидуальный подход к каждому клиенту. Особые условия поставок под конкретные цели и задачи.

+7 (812) 467-96-67
Оставить заявку
WF24J4Z1
Кабель, мм: --