Войти
Регистрация
О компании
Применение
Новости WEIPU
+7 (812) 467-96-67
+7 (499) 677-55-49
Меню
Каталог
Поиск
Корзина
Личный кабинет
+7 812 467-96-67
+7 (499) 677-55-49
Каталог
Оставить заявку
Loading...
Главная страница
Продукция
Круглые разъемы
SF
SF 10
SF 10
10 мм
Push-Pull
2-5
Оставить заявку на подбор
Диаграмма соединений серии SF 10
Межкабельное соединение
SF1011
Межкабельное соединение с защитой от перегиба
SF1011S
Гнездо на блок
SF1012
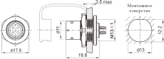
Гнездо на блок, крепление гайкой снаружи
SF1015
Разъем на кабель
SF1010
Разъем на кабель с защитой от перегиба
SF1010S
Расположение контактов и спецификация серии SF 10
Пайка
Обжим
Количество контактов
Распиновка для вилок (папа),
вид спереди
Номинальный ток (А)
Диаметр контакта (мм)
Рабочее напряжение (AC, В)
Пиковое напряжение (AC, В)
Сопротивление контактов (mΩ)
Сечение провода мм²/AWG
2
5
1х2
180
1000
5
≤0,75/18
3
5
1х3
180
1000
5
≤0,75/18
4
3
0,7х4
125
1000
10
≤0,5/20
5
3
0,7х5
125
1000
10
≤0,5/20
Типы корпуса
SF1010
SF1010
SF1011
SF1011
SF1012
SF1012
SF1015
SF1015
SF1011S
SF1011S
SF1010S
SF1010S