Войти
Регистрация
О компании
Применение
Новости WEIPU
+7 (812) 467-96-67
+7 (499) 677-55-49
Меню
Каталог
Поиск
Корзина
Личный кабинет
+7 812 467-96-67
+7 (499) 677-55-49
Каталог
Оставить заявку
Loading...
Главная страница
Продукция
Круглые разъемы
SF
SF 16
SF 16
16 мм
Push-Pull
2-10
Оставить заявку на подбор
Диаграмма соединений серии SF 16
Межкабельное соединение
SF1611
Межкабельное соединение с защитой от перегиба
SF1611S
Гнездо на блок
SF1612
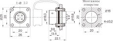
Гнездо на блок с квадратным фланцем
SF1613
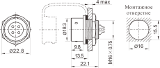
Гнездо на блок, крепление гайкой снаружи
SF1615
Разъем на кабель
SF1610
Разъем на кабель с защитой от перегиба
SF1610S
Расположение контактов и спецификация серии SF 16
Пайка
Обжим
Количество контактов
Распиновка для вилок (папа),
вид спереди
Номинальный ток (А)
Диаметр контакта (мм)
Рабочее напряжение (AC, В)
Пиковое напряжение (AC, В)
Сопротивление контактов (mΩ)
Сопротивление изоляции (MΩ)
Сечение провода мм²/AWG
2
10
1,5
500
1500
2,5
2000
2
10
1,5
500
1500
2,5
≤2/14
3
10
1,5
500
1500
2,5
2000
3
10
1,5
500
1500
2,5
≤2/14
4
5
1
400
1200
5
2000
4
5
1
500
1500
5
≤0,785/18
5
5
1
500
1500
5
≤0,785/18
Количество контактов
Распиновка для вилок (папа),
вид спереди
Номинальный ток (А)
Диаметр контакта (мм)
Рабочее напряжение (AC, В)
Пиковое напряжение (AC, В)
Сопротивление контактов (mΩ)
Сопротивление изоляции (MΩ)
Сечение провода мм²/AWG
7
5
1
400
1200
5
≤0,785/18
9
5
1
400
1200
5
≤0,785/18
10
5
1
400
1200
5
≤0,785/18
Типы корпуса
SF1610
SF1610
SF1611
SF1611
SF1612
SF1612
SF1613
SF1613
SF1615
SF1615
SF1610S
SF1610S
SF1611S
SF1611S